Passa Fio de Plástico

Passa Fio de Plástico

Confira os detalhes de nosso produto

Entre os componentes plásticos mais estratégicos para a organização e proteção de sistemas elétricos industriais, o passa fio ocupa lugar de destaque. Essa peça, apesar do tamanho reduzido, exerce função essencial na condução de cabos por estruturas metálicas ou caixas plásticas, evitando o desgaste dos condutores pelo atrito e promovendo isolamento seguro em pontos de passagem. Sua aplicação é comum em painéis elétricos, transformadores, equipamentos de automação e instalações onde há movimentação ou vibração constante.

Além de proteger fisicamente o fio, o passa fio também colabora para a segurança do sistema, impedindo que a abrasão do isolamento gere curtos ou fugas elétricas. Para setores industriais, onde o tempo de parada impacta diretamente a produtividade, esse tipo de componente previne falhas e amplia a durabilidade da instalação.

Fale conosco
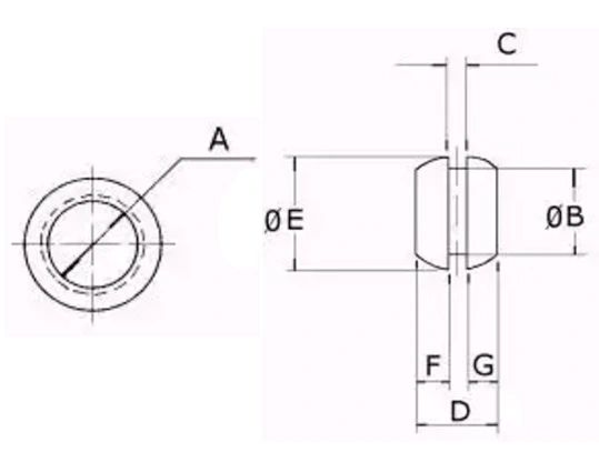
ATUAL A B C D E F G
UPF01 4,7 8,0 1,0 6,5 9,4 3,0 3,0
UPF02 4,7 7,0 2,0 7,7 9,4 3,0 3,0
UPF03 8,0 11,0 1,0 7,0 15,0 3,0 3,0
UPF04 8,0 11,0 2,0 8,0 15,0 3,0 3,0
UPF05 10,0 12,0 1,0 8,5 17,0 3,5 3,5
UPF06 10,0 12,0 1,0 8,5 17,0 3,5 3,5
UPF07 PASSA FIO CHATO 4 SAÍDAS

Quais características tornam um passa fio indispensável?

Projetado para ser aplicado em orifícios de passagem, o passa fio se molda ao ponto de entrada, criando uma interface entre o condutor e a estrutura. Isso evita a exposição do cabo a bordas cortantes, especialmente em chapas metálicas, onde qualquer vibração pode ser suficiente para comprometer o isolamento do fio. A qualidade do material e a precisão no encaixe são determinantes para garantir essa função de proteção contínua.

O uso correto do passa fio proporciona diversas vantagens operacionais:

  • Redução do risco de falhas por abrasão: o cabo não entra em contato direto com superfícies agressivas.
  • Organização do cabeamento: melhora o layout interno dos painéis e facilita manutenções.
  • Aumento da segurança elétrica: evita curtos e descargas em pontos críticos.
  • Estanqueidade localizada: em alguns modelos, contribui para a vedação contra poeira ou umidade.

O passa fio ideal precisa apresentar elasticidade para absorver pequenas deformações e manter o cabo fixo mesmo sob esforço, além de resistência térmica e química compatível com o ambiente de aplicação.

Como escolher o modelo mais adequado?

Nem todos os passa fios servem para todas as aplicações. Fatores como diâmetro do cabo, espessura da parede onde será instalado e temperatura de operação influenciam diretamente na escolha do modelo. Em projetos industriais com grandes volumes, a padronização desses elementos facilita o processo de montagem e inspeção.

Existem modelos com abas de retenção, design em duas partes e até com travas internas, pensados para diferentes graus de exigência técnica. A aplicação correta evita que o passa fio se desloque com o tempo, o que comprometeria sua função de proteção e exigiria manutenção corretiva.

Antes de definir o componente, analise critérios como:

  • Compatibilidade dimensional: o diâmetro interno deve se ajustar ao cabo sem esmagá-lo.
  • Comportamento do material: resistência a agentes como óleo, graxa ou solventes industriais.
  • Condições térmicas: escolha materiais que suportem temperaturas elevadas sem deformar.
  • Tipo de fixação: modelos com pressão, rosca ou travamento para maior segurança estrutural.

Muitas falhas elétricas de campo têm origem em detalhes ignorados durante o projeto. Um passa fio mal especificado pode comprometer todo um sistema de alimentação ou comando, especialmente em ambientes industriais com operação contínua.

Uma peça simples pode proteger sistemas inteiros

Embora discretos, os passa fios cumprem papel técnico indispensável em ambientes industriais exigentes. Escolher o modelo certo — com as dimensões, materiais e fixações corretas — é uma decisão que impacta diretamente na vida útil do cabeamento e na segurança da operação. A CSW oferece soluções de passa fio moldadas com precisão, desenvolvidas para se adequar a diferentes aplicações industriais com confiabilidade e desempenho comprovado.

Leia mais
Atendimento Premium

Fale Conosco

Estamos sempre prontos para melhor atendê-los com soluções personalizadas e suporte especializado.

Atendimento 24/7
Garantia Total
Entrega Rápida