Carretel Sem Terminal

Carretel Sem Terminal

Confira os detalhes de nosso produto

Projetos industriais que envolvem enrolamentos elétricos exigem componentes de encaixe preciso e estrutura otimizada. O carretel sem terminal é uma solução recorrente nesses contextos, especialmente quando há a necessidade de acomodar fios esmaltados sem o uso de conexões metálicas incorporadas. Seu design limpo e funcional favorece aplicações em transformadores, reatores e sistemas de baixa tensão, onde o foco está na integridade do isolamento e na economia de espaço.

Além da simplicidade construtiva, esse tipo de carretel tem como vantagem a versatilidade no uso, podendo ser adaptado a diferentes geometrias e formatos de bobinas. Isso o torna uma escolha técnica eficiente para processos de produção seriada e projetos personalizados que demandam consistência dimensional e boa performance eletrotérmica.

Solicite seu orçamento
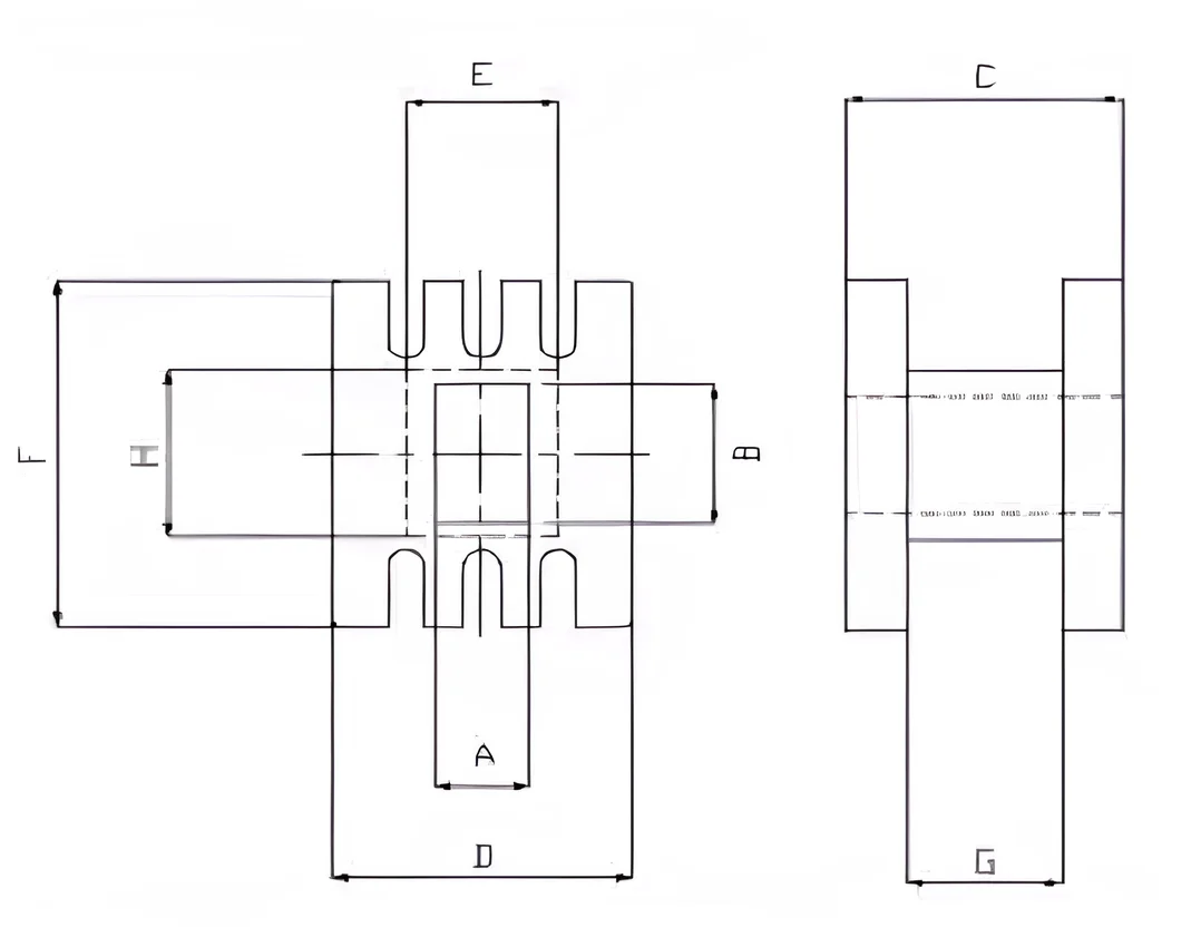
Carretel Sem Terminal Com Rebaixamento

Sem Terminal Com Rebaixamento

Carretel Sem Terminal Com Rebaixamento

Carretel para enrolamento de fios e confecção de transformador de baixa tensão para diversas modalidades, sendo específico para saída de cabinhos, onde a face de assentamento da lâmina "E / I" é rebaixada na face da figura do carretel.

Informações Técnicas

CÓDIGO A B C
UP01 4,0 5,3 7,0
UP02 4,5 5,5 9,6
UP03 5,2 5,7 9,2
UP04 5,4 5,8 9,8
UP05 5,4 7,6 9,5
UP06 6,1 6,8 11,4
UP07 6,1 17,2 11,6
UP08 6,2 8,6 11,4
UP09 6,5 6,5 12,0
UP10 6,5 19,7 12,4
UP11 6,7 7,4 12,0
UP12 6,8 9,5 12,2
UP13 8,2 10,9 15,6
UP14 10,1 10,0 18,4
UP15 10,1 15,0 19,0
UP16 13,4 13,4 20,6
UP17 13,5 16,5 20,5
UP18 13,5 20,1 20,5
UP19 16,4 22,8 23,4
UP20 16,5 30,3 23,4
UP21 16,7 22,7 23,2
UP22 19,0 21,0 33,0
UP23 19,0 21,0 36,0
UP154 19,0 30,0  
UP24 23,0 30,3 32,7
UP25 26,0 40,3 32,7
UP26 26,3 35,5 41,0
Carretel Sem Terminal Sem Rebaixamento

Sem Terminal Sem Rebaixamento

Carretel Sem Terminal Sem Rebaixamento

Carretel para enrolamento de fios e confecção de transformador de baixa tensão para diversas modalidades, sendo específico para saída de cabinhos, onde a face de assentamento da lâmina "E / I" é rente a face da figura do carretel.

Informações Técnicas

CÓDIGO A B C FERRITE
UP27 5,5 5,5 12,8 EE20
UP28A 7,6 7,6 18,8 EE30/7
UP28B 7,6 7,6 18,8 EE30/7
UP29 7,6 14,7 18,9 EE30/14
UP30 10,2 10,2 18,7  
UP31 12,4 16,2 28,1 EE42/15
UP32 12,4 19,7 28,2 EE42/20
UP33 13,2 13,2 20,7  
UP34 16,8 16,4 23,0  
UP35 18,7 21,3 26,5  
UP36 18,7 27,0 27,8  
UP37 20,1 20,1 27,3  
UP38 20,2 22,1 27,8  
UP39 22,1 18,0 27,8  
UP40 22,5 43,2 36,5  
UP41 22,5 43,2 57,0  
UP42 22,5 54,2 36,0  
UP43 22,6 54,2 57,0  
UP44 23,3 24,2 32,3  
UP45 25,0 63,0 43,0 ANAUGER
UP46 25,0 35,5 69,5  
UP47 25,0 36,0 58,0  
UP48 25,7 15,7 37,0  
UP49 26,1 24,2 75,3  
UP50 26,1 26,1 37,5  
UP51 26,5 32,5 37,0  
UP52 29,1 29,1 42,5  
UP53 29,2 38,0 41,7  
UP149 30,0 50,0 41,5  
UP54 32,0 22,9 47,0  
UP156 32,0 28,0 47,0  
UP55 32,0 32,5 47,0  
UP56 32,0 40,0 47,0  
UP158 32,0 45,3 47,0  
UP159 32,0 52,6 47,0  
UP160 32,0 55,0 47,0  
UP161 32,0 60,0 47,0  
UP157 32,0 66,8 47,0  
UP57 32,0 70,0 47,0  
UP174 32,0 100,0 47,0  
UP168 38,0 32,5 56,0  
UP165 38,0 40,7 56,0  
UP169 38,0 45,0 56,0  
UP170 38,0 50,0 56,0  
UP171 38,0 55,0 56,0  
UP172 38,0 60,0 56,0  
UP166 38,0 66,4 56,0  
UP155 38,0 71,5 56,0  
UP191 38,0 80,0 56,0  
UP58 40,0 40,0 56,0  
UP208 45,0 45,0 64,0  
UP209 45,0 50,0 64,0  
UP210 45,0 56,0 64,0  
UP211 45,0 58,0 64,0  
UP212 45,0 64,0 64,0  
UP213 45,0 70,0 64,0  
UP214 45,0 75,0 64,0  
UP178 50,0 40,0 75,0  
UP180 50,0 51,0 75,0  
UP182 50,0 60,0 75,0  
UP177 50,0 70,0 75,0  
UP175 50,0 80,0 75,0  
UP176 50,0 95,0 75,0  
UP203 60,0 60,0 89,8  
UP204 60,0 75,0 89.8  
UP205 60,0 90,0 89,8  
UP206 60,0 100,0 89,8  
UP207 60,0 120,0 89,8  
UP190 80,0 120,0 120,0  
Carretel Sem Terminal Com Divisão

Sem Terminal Com Divisão

Carretel Sem Terminal Com Divisão

Carretel para enrolamento de fios e confecção de transformador de baixa tensão para diversas modalidades, onde são enroladas lado a lado as espiras primárias e secundárias, sendo específico para cravação de terminais e posterior soldagem em placas de circuito impresso.

Informações Técnicas

ATUAL A B C
UP165 6,0 19,0 12,0
UP150 10,1 15,0 19,0
UP59 13,5 16,6 20,7
UP60 13,5 20,0 20,4
UP167 16,0 16,0 23,5
UP61 16,6 22,5 23,0
UP62 18,8 21,4 26,5
UP102 18,0 21,0  
UP70 19,5 27,0 28,0
UP63 20,4 22,3 27,9
UP208 20,0 30,0 28,0
UP64 21,1 27,2 37,2
UP65 21,2 40,2 37,2
UP66 23,4 24,4 32,2
UP67 26,4 26,0 36,7
UP69 27,4 32,2 38,8
UP68 28,2 74,5 37,2
UP178 32,0 32,5 47,0
UP202 32,0 40,0 47,0
UP164 32,0 52,6 47,0
UP184 38,0 40,7 56,0
UP201 38,0 45,0 56,0
UP200 38,0 50,0 56,0
UP185 38,0 55,0 56,0
UP179 50,0 40,0 75,0
UP181 50,0 51,0 75,0
UP183 50,0 60,0 75,0

Quais fatores técnicos influenciam a escolha?

A ausência de terminais embutidos implica que o carretel sem terminal será combinado a outras soluções de fixação elétrica, como soldagem direta ou conexões por pressão. Isso exige atenção ao tipo de fio utilizado e à forma como será fixado na estrutura magnética. Mais do que um suporte, o carretel se comporta como parte funcional do conjunto, e sua qualidade impacta diretamente a estabilidade mecânica e térmica do componente final.

Os critérios mais relevantes para aplicação desse modelo incluem:

  • Compatibilidade com o isolamento elétrico previsto no projeto.
  • Resistência a deformações em ciclos térmicos sucessivos.
  • Adesão a normas técnicas específicas do setor elétrico.
  • Ausência de rebarbas e imperfeições no molde, que possam comprometer o fio esmaltado.

Outro aspecto essencial é a retenção dimensional, principalmente em peças com paredes finas ou reentrâncias técnicas. A precisão no molde e o controle da contração do material no processo de injeção determinam a qualidade final. Em casos em que o carretel serve como base para impregnação com verniz, sua resistência química também precisa ser considerada.

Por que o carretel sem terminal é amplamente utilizado?

Esse tipo de carretel é frequentemente adotado em linhas de produção que priorizam modularidade e montagem ágil. Por não conter terminais metálicos, ele reduz o risco de interferência eletromagnética e facilita a automatização do processo de enrolamento. Além disso, oferece maior liberdade de layout para os engenheiros responsáveis pela definição da geometria do transformador.

Na prática, essa peça atende à necessidade de empresas que buscam componentes com custo-benefício ajustado, sem abrir mão da qualidade técnica. Sua aplicação é especialmente comum em transformadores encapsulados, fontes de alimentação e dispositivos eletrônicos de pequeno porte, onde o espaço disponível impõe limites rigorosos ao design.

Entre os benefícios técnicos mais relevantes, destacam-se:

  • Redução do peso total do componente.
  • Menor risco de curtos causados por falhas de fixação.
  • Facilidade de automação em enroladeiras industriais.
  • Flexibilidade para diferentes tipos de ligação elétrica.

A confiabilidade do fornecedor também é determinante. Uma peça mal injetada pode gerar retrabalho, falhas no isolamento ou até problemas em campo — prejuízos que vão além do custo da unidade defeituosa.

Soluções industriais precisas começam com peças confiáveis

Ao buscar carretéis sem terminal para aplicações técnicas exigentes, priorize fornecedores que dominem os requisitos do setor elétrico e entreguem peças com consistência dimensional, durabilidade e suporte técnico. A CSW oferece essa combinação com excelência, garantindo que cada componente atue como parte ativa na performance e segurança dos seus projetos industriais.

Leia mais
Atendimento Premium

Fale Conosco

Estamos sempre prontos para melhor atendê-los com soluções personalizadas e suporte especializado.

Atendimento 24/7
Garantia Total
Entrega Rápida