Carretel Redondo

Carretel Redondo

Confira os detalhes de nosso produto

O carretel redondo é um componente amplamente utilizado na montagem de transformadores e indutores, especialmente em aplicações onde a geometria simétrica favorece a distribuição do fio e a dissipação de calor. Sua forma proporciona um enrolamento uniforme e facilita o controle da tensão mecânica aplicada ao fio durante o processo de bobinagem, o que é essencial para evitar falhas prematuras por ruptura ou curtos-circuitos.

Indústrias que operam com transformadores de média e baixa potência frequentemente optam por esse tipo de carretel pela sua eficiência dimensional, baixo índice de distorção durante o uso contínuo e compatibilidade com variados tipos de fios condutores. Além disso, sua estrutura facilita a automatização do processo produtivo, favorecendo linhas de produção com alta repetibilidade e controle de qualidade rigoroso.

Fale conosco
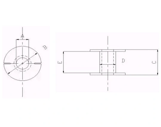
CÓDIGO A B C
UP141 4,8 14,0 8,0
UP142 6,2 18,2 14,4
UP143 A 7,5 24,3 20,3
UP143 B 7,5 30,0 20,0
UP143 C 7,5 30,0 14,5
UP144 A 10,0 20,0 30,3
UP144 B 10,0 27,0 30,0
UP144 C 10,0 27,0 15,0
UP145 25,0 59,0 43,5

Onde o formato redondo faz diferença?

Em contextos industriais, o carretel não atua apenas como suporte. Ele participa da integridade funcional do equipamento, influenciando na distribuição eletromagnética do campo e na resposta térmica do conjunto. A escolha por um carretel redondo muitas vezes está associada a transformadores com isolamento encapsulado ou dispositivos que exigem simetria para acoplamento magnético eficiente.

A forma circular garante vantagens práticas que impactam diretamente no desempenho do produto final:

  • Distribuição homogênea do fio: evita acúmulos que poderiam gerar sobreaquecimento localizado.
  • Centralização do enrolamento: facilita o encaixe no núcleo magnético e melhora a eficiência.
  • Estabilidade dimensional: reduz deformações provocadas por variações térmicas ou esforços mecânicos.
  • Compatibilidade com automatização: permite o uso de enroladeiras programáveis com menos ajustes.

Outro ponto relevante é o comportamento do material sob ciclos repetidos de aquecimento e resfriamento. Polímeros técnicos como poliamida e polipropileno são frequentemente usados nesse tipo de carretel, graças à sua resistência térmica e boa resposta dielétrica, mesmo após longos períodos de operação.

Qual é o papel da precisão na fabricação?

A simetria do carretel redondo exige precisão milimétrica no molde, especialmente nas bordas e canais de guia do fio. Qualquer desvio compromete o encaixe com o núcleo ou prejudica o isolamento entre espiras. Por isso, o processo de injeção plástica precisa ser rigorosamente controlado, do fechamento do molde até o resfriamento da peça.

A consistência entre lotes também é um critério fundamental para engenheiros que projetam equipamentos em grande escala. A repetibilidade da geometria garante que o desempenho elétrico, térmico e mecânico seja mantido, independentemente da quantidade de peças utilizadas na montagem.

Alguns fatores críticos que influenciam o resultado da peça final são:

  • Qualidade do molde: pequenos defeitos geram rebarbas que danificam o fio esmaltado.
  • Controle da retração: cada polímero tem uma taxa distinta de contração após resfriamento.
  • Homogeneidade do material: compostos irregulares podem comprometer a rigidez dielétrica.
  • Integração com suportes ou encaixes: o formato do carretel precisa se alinhar ao projeto do transformador.

Um erro comum na escolha do fornecedor está em priorizar apenas o custo unitário, ignorando a importância da estabilidade dimensional. Em aplicações técnicas, qualquer ajuste posterior gera custo oculto, tempo perdido e risco de não conformidade.

Alta performance começa com engenharia de precisão

Na seleção de um carretel redondo, o fator determinante vai além do design. É a soma entre forma, material e processo que define a qualidade funcional da peça. A CSW entrega essa combinação com consistência técnica, moldes de alta precisão e controle rigoroso de produção. Essa atenção aos detalhes permite que sua indústria mantenha eficiência, padrão e segurança em cada montagem.

Leia mais
Atendimento Premium

Fale Conosco

Estamos sempre prontos para melhor atendê-los com soluções personalizadas e suporte especializado.

Atendimento 24/7
Garantia Total
Entrega Rápida