Carretel para Terminal

Carretel para Terminal

Confira os detalhes de nosso produto

O carretel redondo é um componente amplamente utilizado na montagem de transformadores e indutores, especialmente em aplicações onde a geometria simétrica favorece a distribuição do fio e a dissipação de calor. Sua forma proporciona um enrolamento uniforme e facilita o controle da tensão mecânica aplicada ao fio durante o processo de bobinagem, o que é essencial para evitar falhas prematuras por ruptura ou curtos-circuitos.

Indústrias que operam com transformadores de média e baixa potência frequentemente optam por esse tipo de carretel pela sua eficiência dimensional, baixo índice de distorção durante o uso contínuo e compatibilidade com variados tipos de fios condutores. Além disso, sua estrutura facilita a automatização do processo produtivo, favorecendo linhas de produção com alta repetibilidade e controle de qualidade rigoroso.

Solicite seu orçamento
Carretel Sem Terminal Com Rebaixamento

Para Terminal

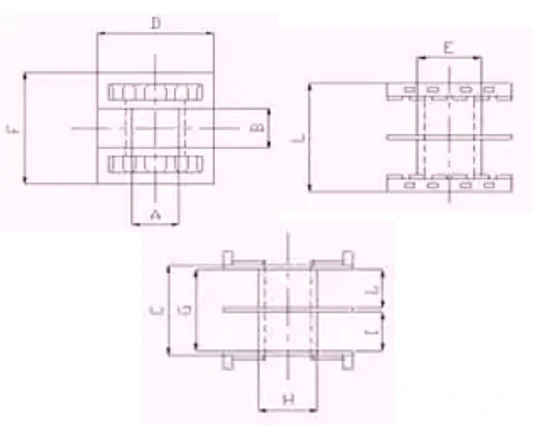
Carretel Para Terminal 1 Lado

Carretel para enrolamento de fios e confecção de transformador de baixa tensão para diversas modalidades, sendo específico para cravação de terminais e posterior soldagem em placas de circuito impresso, sendo encontrada em somente 1 dos 4 lados do carretel.

Informações Técnicas

CÓDIGO A B C
UP56 10,0 10,0 19,0
Carretel Sem Terminal Sem Rebaixamento

Para Terminal

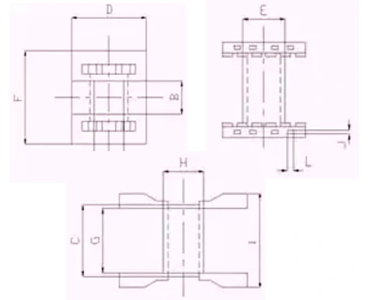
Carretel Para Terminal 2 Lados

Carretel para enrolamento de fios e confecção de transformador de baixa tensão para diversas modalidades, sendo específico para cravação de terminais e posterior soldagem em placas de circuito impresso, sendo encontrada em somente 2 dos 4 lados do carretel.

Informações Técnicas

CÓDIGO A B C FERRITE
UP123 6,5 6,5 17,6 EE25
UP124 6,8 9,5 17,5  
UP125 8,2 10,9 18,2  
UP126 13,5 13,5 24,0  
UP74A 13,5 16,2 20,6  
UP127 16,0 17,5 26,0  
UP128 17,4 21,5 32,0  
UP129 18,7 20,7 31,8  
UP130 18,7 20,7 31,8  
UP131 19,0 20,7 33,0  
UP132 22,3 18,2 37,3  
UP133 24,8 35,5 46,2  
UP134 24,8 35,5 46,2  
UP135 26,3 35,2 50,0  
UP136 29,0 29,0 56,0  
Carretel Sem Terminal Com Divisão

Para Terminal

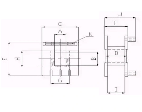
Carretel Para Terminal 4 Lados

Carretel para enrolamento de fios e confecção de transformador de baixa tensão para diversas modalidades, sendo específico para cravação de terminais e posterior soldagem em placas de circuito impresso, sendo encontrada em todos os 4 lados do carretel.

Informações Técnicas

CÓDIGO A B C
UP71 10,0 10,0 18,6
UP72 10,1 14,8 18,6
UP73 13,4 13,4 20,0
UP73A 13,4 13,4 20,0
UP74 13,5 16,2 20,6
UP75 13,8 20,4 20,2
UP76 15,0 27,0 42,0
UP77 16,4 16,4 23,1
UP78 16,4 22,7 22,8
UP79 16,5 30,0 22,8
UP196 19,5 40,0 28,0
UP80 20,4 22,0 27,6
UP81 20,0 30,2 27,6
UP82 23,2 25,3 32,7
UP83 23,2 30,6 32,5
UP84 25,5 25,5 37,0
UP85 26,1 32,0 36,2
UP86 28,7 38,0 41,5
UP87 30,0 42,8 42,8
UP88 32,5 51,7 46,3
Carretel Sem Terminal Com Divisão

Para Terminal

Carretel Para Terminal Com Divisão

Carretel para enrolamento de fios e confecção de transformador de baixa tensão para diversas modalidades, onde são enroladas lado a lado as espiras primárias e secundárias, sendo específico para cravação de terminais e posterior soldagem em placas de circuito impresso.

Informações Técnicas

CÓDIGO A B C
UP165 6,00 19,00 12,00
UP150 10,1 15,0 19,0
UP59 13,5 16,6 20,7
UP60 13,5 20,0 20,4
UP167 16,0 16,0 23,5
UP61 16,6 22,5 23,0
UP62 18,8 21,4 26,5
UP102 18,0 21,0  
UP70 19,5 27,0 28,0
UP63 20,4 22,3 27,9
UP208 20,0 30,0 28,0
UP64 21,1 27,2 37,2
UP65 21,2 40,2 37,2
UP66 23,4 24,4 32,2
UP67 26,4 26,0 36,7
UP69 27,4 32,2 38,8
UP68 28,2 74,5 37,2
UP178 32,0 32,5 47,0
UP202 32,0 40,0 47,0
UP164 32,0 52,6 47,0
UP184 38,0 40,7 56,0
UP201 38,0 45,0 56,0
UP200 38,0 50,0 56,0
UP185 38,0 55,0 56,0
UP179 50,0 40,0 75,0
UP181 50,0 51,0 75,0
UP183 50,0 60,0 75,0

Quando o projeto elétrico demanda integração direta entre o enrolamento e os pontos de conexão externa, o carretel para terminal se torna uma escolha funcional e segura. Esse tipo de componente é desenvolvido com suportes metálicos incorporados à estrutura plástica, permitindo a conexão elétrica imediata com fios ou cabos. Mais do que apenas acomodar o condutor, ele contribui para a estabilidade do circuito, reduzindo o número de interfaces e garantindo maior resistência mecânica nas áreas críticas.

Em linhas de produção que exigem repetibilidade e segurança em alto volume, o carretel com terminal traz vantagens competitivas. Sua estrutura é desenhada para suportar ciclos térmicos e mecânicos intensos, ao mesmo tempo, em que oferece padronização de montagem, especialmente em transformadores de baixa tensão, bobinas de controle e sistemas de automação que exigem fixações seguras e resistentes à vibração.

O que diferencia o carretel com terminal dos demais?

A principal diferença desse modelo está na integração entre o corpo do carretel e os terminais condutores. Ao eliminar etapas adicionais de montagem ou soldagem, esse recurso oferece agilidade na produção e melhora o desempenho final do equipamento. Além disso, o posicionamento dos terminais é estrategicamente projetado para facilitar o acoplamento em placas, conectores ou bornes, reduzindo o tempo de montagem e o risco de falhas por mau contato.

Entre os principais aspectos técnicos considerados na seleção desse componente estão:

  • A estabilidade térmica do polímero utilizado na base do carretel.
  • A fixação firme dos terminais condutores ao corpo da peça.
  • O alinhamento entre o terminal e o canal de enrolamento.
  • O isolamento entre condutores, que deve respeitar normas de segurança elétrica.

Esses fatores contribuem diretamente para a integridade do circuito e reduzem perdas por oxidação, folgas ou sobrecarga. O carretel precisa manter seu desempenho mesmo após centenas de ciclos de aquecimento e resfriamento, além de resistir à ação de agentes químicos presentes em processos de impregnação com verniz ou resina.

Quando esse modelo se torna indispensável?

O uso do carretel para terminal é particularmente comum em produtos que exigem montagem padronizada e validação elétrica rápida. Essa peça facilita o controle de qualidade nas etapas finais do processo, pois permite testes mais objetivos de continuidade e resistência elétrica logo após a bobinagem. Com isso, diminui-se a necessidade de ajustes ou retrabalho, tornando o processo mais enxuto.

Aplicações como transformadores encapsulados, indutores para fontes chaveadas e dispositivos eletrônicos industriais dependem de conexões estáveis que suportem correntes variáveis e ambientes com vibração. O modelo com terminal evita o uso de solda externa, reduzindo interferências e garantindo maior durabilidade do contato.

Os benefícios técnicos e operacionais mais observados são:

  • Integração rápida entre fio e terminal: elimina etapas posteriores de soldagem.
  • Facilidade de inspeção elétrica: permite testes imediatos com ferramentas padrão.
  • Redução de falhas em campo: menos interfaces resultam em menor risco de quebra.
  • Otimização da montagem: melhora o tempo de produção e a consistência dos lotes.

Além da engenharia do produto, a escolha do fornecedor certo é decisiva para manter esses ganhos ao longo do tempo. Moldes com pequenas imperfeições ou materiais fora de especificação comprometem o desempenho do terminal e do conjunto elétrico.

Performance industrial começa no detalhe técnico certo

Em ambientes industriais, cada componente influencia diretamente a performance, a segurança e a confiabilidade do sistema. O carretel para terminal é um desses elementos que, embora discretos, exigem precisão em cada detalhe — do encaixe do terminal ao comportamento do plástico sob carga térmica. A CSW entende essas necessidades e oferece soluções que atendem com exatidão aos critérios dos setores elétrico e eletrônico, ajudando sua equipe a manter eficiência, controle e qualidade do início ao fim do processo.

Leia mais
Atendimento Premium

Fale Conosco

Estamos sempre prontos para melhor atendê-los com soluções personalizadas e suporte especializado.

Atendimento 24/7
Garantia Total
Entrega Rápida