Carretel para Pinos

Carretel para Pinos

Confira os detalhes de nosso produto

Projetos que envolvem o enrolamento de fios em componentes elétricos requerem precisão absoluta na montagem e estabilidade mecânica. O carretel para pinos atende a essas exigências ao oferecer uma estrutura técnica que permite a fixação direta dos terminais condutores por meio de pinos metálicos moldados ou aplicados na peça. Essa configuração não apenas simplifica a montagem, como também aumenta a confiabilidade dos contatos elétricos em transformadores e dispositivos eletrônicos.

O uso desse tipo de carretel é especialmente indicado quando há necessidade de conexão direta com placas de circuito impresso ou quando o projeto demanda um formato de fixação compatível com automação. Seu desempenho está atrelado à qualidade do molde, à escolha do material e à integração precisa entre os pinos e o corpo do carretel.

Fale conosco
Carretel Sem Terminal Com Rebaixamento

Para Pinos

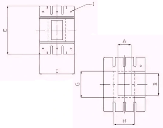
Carretel Para Pinos Normal

Carretel para enrolamento de fios e confecção de transformador de baixa tensão para diversas modalidades, sendo específico para cravação de pinos e posterior soldagem em placas de circuito impresso.

Informações Técnicas

CÓDIGO A B C FERRITE
UP105 4,2 5,2 11,0 EE16
UP106 5,1 5,8 13,7 EE20
UP107 5,4 7,8 13,3  
UP108 5,6 7,0 13,7 C15
UP109 6,2 17,2 17,2  
UP110 6,5 6,5 17,0  
UP111 6,5 19,6 18,1  
UP112 6,8 9,4 17,0  
UP113 6,8 9,5 17,7  
UP114 7,2 10,2 19,3 EE25 H
UP115 8,3 11,0 19,1 EI28
UP116 8,7 11,3 13,4  
UP117 10,3 12,3 23,2  
UP118 11,0 11,0 18,8 EI30
UP119 11,5 11,5 38,0 ER35
UP120 12,0 12,0 25,8 EI40/12
UP121 12,6 16,2 29,0 EE42/15
UP122 12,6 16,0 29,5 EE40/15
Carretel Sem Terminal Sem Rebaixamento

Para Pinos

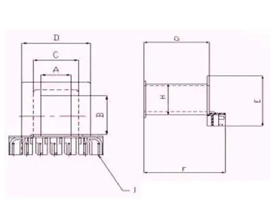
Carretel Para Pinos Primário e Secundário

Carretel para enrolamento de fios e confecção de transformador de baixa tensão para diversas modalidades, sendo específico para enrolamento separado das espiras primárias e secundárias, evitando circuito e contato entre as espiras.

Informações Técnicas

CÓDIGO A B C
UP137 8,0 11,0 16,4
UP138 20,0 32,0 29,5
UP 138A CORTADO 20,0 32,0 29,5
UP139 22,0 35,5 32,0
UP140 22,0 43,0 32,0
UP141 22,6 64,0 32,0

Por que a fixação com pinos oferece vantagens técnicas?

A principal função do pino metálico é permitir uma conexão rígida e segura, capaz de suportar variações de temperatura, tensão elétrica e esforço mecânico sem perda de contato. Essa característica torna o carretel para pinos indispensável em aplicações onde o espaço é reduzido e o desempenho elétrico é inegociável.

A fixação dos fios diretamente sobre os pinos melhora o controle dimensional do enrolamento e reduz o número de pontos críticos suscetíveis a falhas. Além disso, essa configuração facilita testes elétricos automatizados e aumenta a velocidade de montagem, o que é estratégico em linhas de produção com alto volume.

Entre os benefícios mais observados no uso desse modelo estão:

  • Redução de etapas manuais: diminui a necessidade de soldagens externas.
  • Precisão no contato elétrico: minimiza a resistência de transição e melhora a condução.
  • Integração com outros componentes: encaixe direto em placas e suportes plásticos.
  • Robustez mecânica: maior resistência a vibrações e ciclos térmicos.

A compatibilidade entre o material do carretel e o tipo de pino utilizado também é determinante. Polímeros como PBT com fibra de vidro são frequentemente empregados, pois oferecem excelente estabilidade térmica e resistência à tração ao redor da base dos pinos.

O que avaliar antes de escolher o modelo ideal?

Cada aplicação industrial exige uma abordagem específica. Por isso, o carretel com pinos deve ser projetado conforme as condições elétricas e mecânicas envolvidas no projeto. Tamanho do fio, tipo de conexão, corrente nominal, layout de montagem e tolerâncias dimensionais são fatores que influenciam diretamente na escolha.

Outro ponto crítico está na resistência do carretel a processos subsequentes, como impregnação com verniz ou soldagem por onda. O componente precisa manter suas propriedades e não comprometer o isolamento do fio nem a integridade do pino após exposto a agentes químicos ou temperaturas elevadas.

Algumas variáveis técnicas devem ser consideradas ao adquirir o componente:

  • Tipo e espessura dos pinos: influência na resistência elétrica e mecânica.
  • Diâmetro do canal de enrolamento: compatibilidade com o fio usado.
  • Isolamento entre pinos: evita curtos ou falhas em campo.
  • Resistência térmica e química do material base: garante durabilidade em ambientes agressivos.

Empresas que dependem de produção contínua não podem correr o risco de utilizar carretéis sem controle dimensional rigoroso ou com falhas de inserção dos pinos. A confiabilidade no fornecedor é, portanto, parte estratégica do processo de aquisição.

O desempenho do seu projeto começa nos detalhes da construção

Para alcançar resultados consistentes e confiáveis em aplicações elétricas, a escolha do carretel para pinos precisa ser embasada por critérios técnicos bem definidos. A CSW entrega soluções moldadas com precisão, integrando os requisitos elétricos e mecânicos exigidos pelo seu projeto com flexibilidade produtiva e suporte especializado. Desempenho, qualidade e padronização técnica começam com a escolha certa — e ela impacta diretamente toda a cadeia de produção.

Leia mais
Atendimento Premium

Fale Conosco

Estamos sempre prontos para melhor atendê-los com soluções personalizadas e suporte especializado.

Atendimento 24/7
Garantia Total
Entrega Rápida