Buchas Isoladoras de Parafusos

Buchas Isoladoras de Parafusos

Confira os detalhes de nosso produto

As buchas isoladoras desempenham papel técnico essencial na construção de transformadores, reatores e outros equipamentos eletroeletrônicos que exigem separação elétrica entre condutores e estrutura metálica. Mais do que simples suportes, essas peças atuam como barreiras físicas e dielétricas que evitam o contato acidental com partes energizadas, preservando a integridade do sistema e a segurança da operação industrial.

Em sua forma mais comum, a bucha isoladora é moldada em materiais plásticos de alta rigidez dielétrica e resistência térmica, permitindo que componentes metálicos atravessem chassis ou painéis sem comprometer o isolamento elétrico. A especificação correta evita fugas de corrente, minimiza riscos de arco elétrico e assegura o desempenho contínuo da instalação, mesmo sob variações de temperatura ou em ambientes com partículas condutivas em suspensão.

Fale conosco
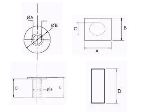
Código A B C D F Tipo
UPE01 3,5 10,0 6,2 5,1 4,8 REDONDO
UPE02 5,0 11,6 8,2 6,2 6,5 REDONDO
UPE03 7,6 7,5 6,0 12,9 QUADRADO

Como a geometria da peça influencia a proteção elétrica?

O desempenho das buchas isoladoras está diretamente ligado à sua forma, que precisa ser projetada para suportar tensões dielétricas elevadas, evitar a formação de trilhas condutivas e resistir à degradação por envelhecimento térmico. A presença de abas, flanges ou anéis de vedação auxilia na fixação e no aumento da distância de escoamento, um dos parâmetros críticos para garantir o isolamento em ambientes com alta umidade ou contaminação.

Além do isolamento elétrico, a bucha também proporciona sustentação mecânica aos condutores, servindo como guia ou suporte para parafusos, pinos ou fios que passam através da estrutura do equipamento.

Os principais aspectos que devem ser considerados na escolha da bucha são:

  • Distância de escoamento e distância através do ar: fundamentais para evitar arcos elétricos.
  • Compatibilidade com o tipo de fixação: rosqueada, encaixada ou de pressão.
  • Resistência ao calor: necessária em sistemas com aquecimento contínuo ou intermitente.
  • Estabilidade dimensional: o formato precisa permanecer inalterado mesmo após ciclos térmicos.

A escolha do material também deve levar em conta o comportamento do polímero em ambientes industriais agressivos. Compostos reforçados com fibra de vidro, por exemplo, combinam rigidez mecânica com excelente resistência dielétrica.

Qual é o impacto no desempenho do equipamento?

Equipamentos industriais que operam com altas correntes ou tensão contínua não podem depender de soluções improvisadas para isolamento. A bucha isoladora elimina pontos de falha causados por montagem incorreta, reduz a interferência entre componentes e melhora a confiabilidade geral do sistema.

Esse tipo de peça é particularmente importante em aplicações onde a repetibilidade é crítica, como transformadores padronizados, fontes de alimentação industriais e equipamentos de automação. Um sistema bem projetado, com isoladores de qualidade, reduz o índice de retrabalho e amplia a vida útil da instalação.

Entre os ganhos operacionais promovidos pelo uso correto de buchas isoladoras estão:

  • Redução de falhas elétricas: impede contato entre partes condutivas em pontos vulneráveis.
  • Proteção contra contaminação: dificulta o acúmulo de poeira condutiva e umidade.
  • Facilidade de montagem: modelos com guias internos aceleram a linha de produção.
  • Conformidade com normas técnicas: atende às exigências de segurança de produtos eletroeletrônicos.

A bucha é, muitas vezes, a peça que separa o funcionamento seguro de uma falha catastrófica. Por isso, sua especificação deve ser feita com base em dados técnicos e histórico de performance.

Segurança elétrica começa com componentes confiáveis

As buchas isoladoras são elementos críticos para garantir isolamento, fixação e proteção elétrica em aplicações industriais. A CSW desenvolve esses componentes com precisão dimensional e materiais de alto desempenho, garantindo compatibilidade com os desafios técnicos mais exigentes do setor. Escolher um parceiro com domínio técnico no fornecimento de peças plásticas é investir diretamente na segurança e na performance dos seus equipamentos.

Leia mais
Atendimento Premium

Fale Conosco

Estamos sempre prontos para melhor atendê-los com soluções personalizadas e suporte especializado.

Atendimento 24/7
Garantia Total
Entrega Rápida